Diagrama de tiempos: Arranque directo.
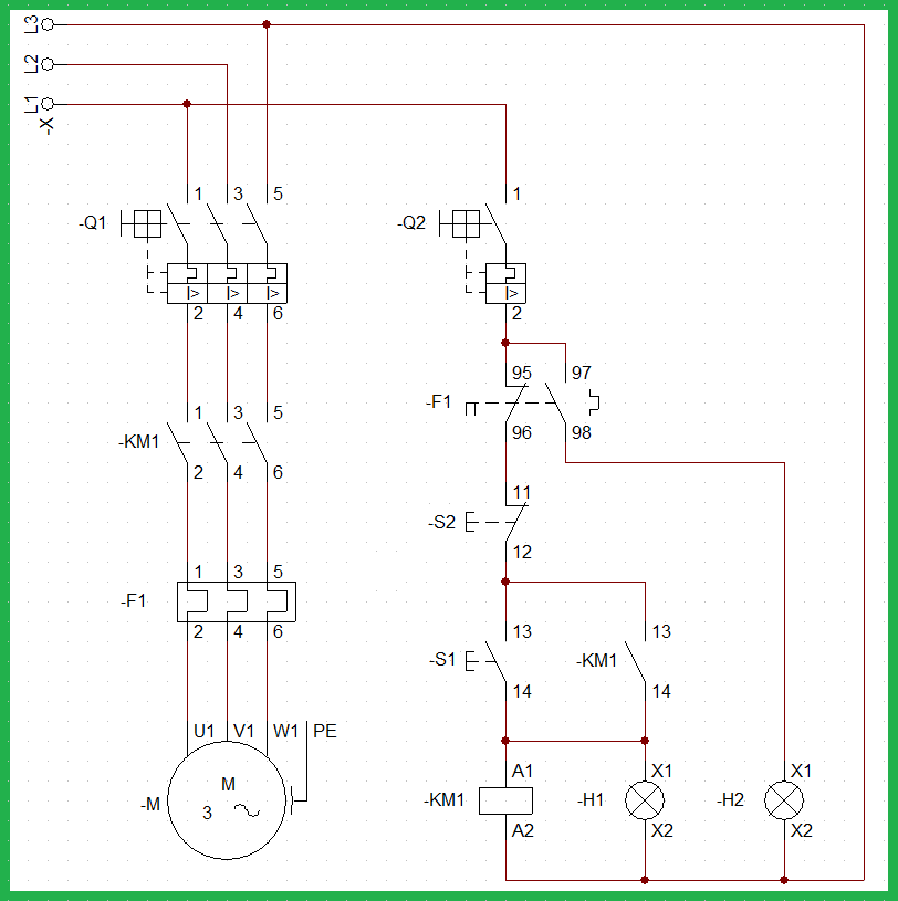
Circuito: Arranque Directo.
Diagrama de tiempos: Arranque directo en secuencia forzada M1 – M2- M3
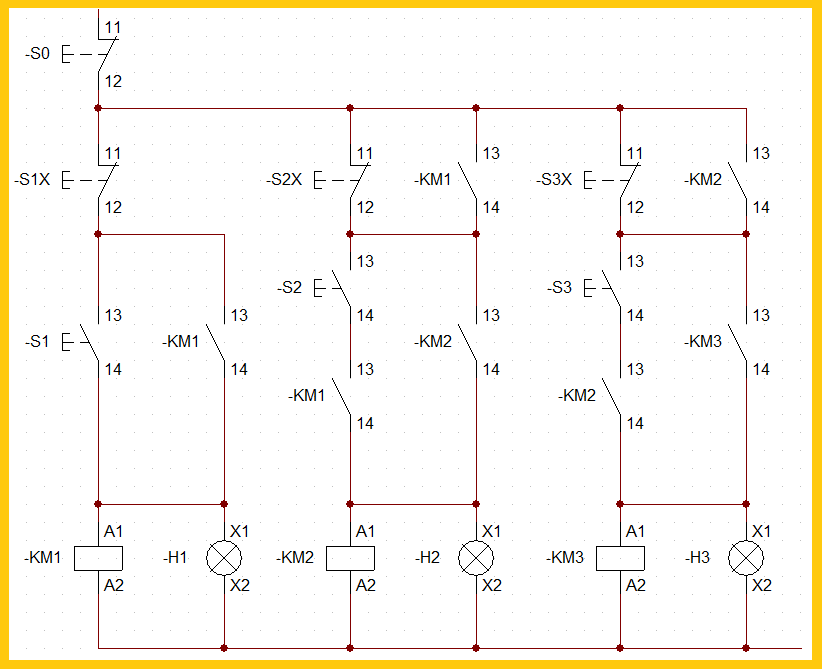
Circuito: Arranque directo en secuencia forzada M1 – M2- M3 (Fuerza)
Circuito: Arranque directo en secuencia forzada M1 – M2- M3 (Mando)
Diagrama de tiempos: Arranque directo FIFO M1-M2-M3 –> M1-M2-M3
Circuito: Arranque directo FIFO M1-M2-M3 –> M1-M2-M3
Diagrama de tiempos: Arranque directo LIFO M1-M2-M3 –> M3-M2-M1
Circuito: Arranque directo LIFO M1-M2-M3 –> M3-M2-M1
Diagrama de tiempos: Arranque directo en secuencia forzada automática.
Circuito: Arranque directo en secuencia forzada automática.
Diagrama de tiempos: Arranque directo en secuencia forzada automática. (2)
Circuito: Arranque directo en secuencia forzada automática. (2)
Diagrama de tiempos: Arranque directo en secuencia forzada automática. (3)
Circuito: Arranque directo en secuencia forzada automática. (3)
Diseña un sitio como este con WordPress.com
Comenzar