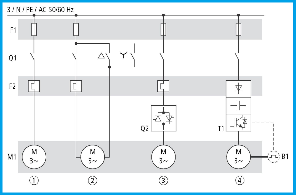
Arranque a tensión reducida.

El arranque directo se utiliza en motores menores a 5 KVA y 60 Amp. Este nivel de corriente se puede alcanzar durante el arranque lo que produce perturbaciones en la red de distribución, para evitar esta situacion se utilizan métodos que limitan el consumo elevado de corriente como el arranque a tensión reducida.
Tipos.
Arranque por Autotransformador:
Se intercala un auto transformador entre la linea de red y el motor, se puede aplicar a tres golpes de 40, 60 y 75 % de la tensión de linea.

Arranque Estrella – Triangulo
Es el método mas utilizado, se utiliza cuando se tiene acceso total a los devanados del estator. Consiste en alimentar primero el motor en configuración Estrella con lo que el voltaje que llega a cada devanado es del 58% del voltaje de linea. Una vez que el motor esta por alcanzar la velocidad nominal se debe cambiar a la configuración Triangulo, donde las devanados del estator reciben la tensión total de la linea.
Esquemas.
Aplicaciones.
Arranque estrella-triángulo de un motor de inducción trifásico.
Definición.
Características.
Simula funcionamiento con software.
Aplicaciones.
Selección de Guardamotor.
Arranque estrella-triángulo con inversión de giro de un motor de inducción 30.
Definición
Simula funcionamiento con software.
Aplicaciones
Selección de Guardamotor.
Canalizaciones.