PRESOSTATO
DEFINICIÓN
Un presostato (también interruptor de presión ) es un aparato que cierra o abre un circuito eléctrico en función de la presión de un medio líquido o gaseoso. Normalmente tiene dos funciones diferentes:
a) Detector de estado para funciones de alarma, bloqueo o consenso
b) Regulador discontinuo On-Off
La parte central de un presostato es un sensor, normalmente metálico, que acciona directamente sobre uno o dos microinterruptores cuando la presión alcanza uno o dos valores previamente fijados. El microinterruptor habitualmente utilizado es del tipo unipolar (SPDT – Single ple doble throw) (conmutador) de acción rápida y con rearme automático. En base al principio de funcionamiento se puede dividir en dos categorías los instrumentos de desplazamiento y los instrumentos de equilibrio de fuerzas.
PRESOSTATO DE DESPLAZAMIENTO.

Cualquier instrumento de desplazamiento está constituido por un sensor de presión (1) metálico (membrana, tubo bourdon ó fuelle) y de un microinterruptor eléctrico (3), el cual tiene el pulsador oportunamente posicionado sobre el sensor. Por efecto de la presión el sensor se deforma elásticamente, y el terminal (2) se desplaza proporcionalmente al valor de la misma, alcanzando un valor predeterminado (valor de actuación ó «Set Point») acciona el pulsador del microinterruptor, haciendo cambiar el estado del circuito eléctrico. Cuando la presión vuelve a los valores anteriores al de intervención, vuelve a accionar el pulsador del microinterruptor restaurando automáticamente el circuito a la configuración original. La diferencia entre el punto de actuación y el de rearme es lo que se conoce como diferencial o banda muerta (dead band).
PRESOSTATO DE EQUILIBRIO DE FUERZAS.

Los instrumentos de equilibrio de fuerza están constituidos por un sensor de presión (1), un muelle antagónico (2), un actuador (4) y un microinterruptor y (5) dispuesto como en la ilustración. El sensor de presión normalmente está formado por una membrana o un pistón. La presión que actúa sobre el sensor ejerce un empuje sobre el actuador, que queda contrarrestada por la fuerza del muelle antagónico. Cuando el empuje alcanza el valor necesario para vencer la fuerza producida por el muelle, el actuador hace un pequeño desplazamiento accionando el pulsador del microinterruptor (punto de disparo o «Set point») y cambiando el estado del circuito eléctrico Cuando la presión vuelve a los valores anteriores al de intervención, acciona nuevamente el pulsador del microinterruptor, restaurando automáticamente el circuito a la configuración original. (1)
SÍMBOLO EN IEC

(2)
PARTES

EL PRESOSTATO DIFERENCIAL DE ACEITE PDA
El PDA o Presostato Diferencial de Aceite es, como su propio nombre indica, un presostato de presión diferencial. Es decir, que calcula la diferencia de dos presiones y la compara con la de un muelle.
Mediante (3) modificamos la tensión del muelle y por tanto la presión a comparar. En (5) se encuentra un micro pulsador normalmente cerrado. Si la presión diferencial es mayor que la tensión del muelle, una pequeña pestaña accionará el pulsador, abriendo el circuito.
ESQUEMA DE CONEXIÓN DEL PDA
Tenemos por un lado un conmutador con un común (L), un NO (S) que en principio es para la lámpara de avería y un NC (M) que estaría en la columna de averías. (e) es un bimetal (unión de dos metales que al calentarse produce un desplazamiento).
Este PDA puede funcionar a 115 v o 220 v. Para esto tiene una resistencia (R) que produce una caída de tensión de 115 v, de esta manera si queremos alimentarlo a 220 v lo hacemos a traves de la resistencia (0-230) y si es a 115v (0-115) sin la resistencia.

En este esquema podemos ver el principio de funcionamiento. Cuando arranca el compresor alimentamos un bimetal a través de un contacto normalmente cerrado. Si la presión diferencial aumenta por encima de la tarada en el muelle, el contacto se abre. De no ser mayor la presión diferencial, el bimetal seguirá con tensión, de manera que al pasar el tiempo prefijado se desplazará cambiando la posición del conmutador. (3)

ESPECIFICACIONES
PROBAR Y REGULAR EL PRESOSTATO
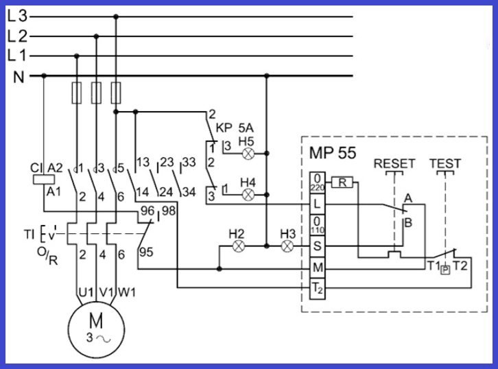
CONTROL MANUAL – AUTOMÁTICO DE UN MOTOR TRIFÁSICO POR PRESOSTATO

EL MÓDULO PROGRAMABLE.
TIPOS DE PROCESADOR.
La CPU al igual que para las computadoras, se pueden clasificar de acuerdo a la capacidad de su memoria y las funciones que puedan realizar, además de su velocidad de procesamiento. El tiempo de lectura del programa está en función del número y tipo de instrucciones, y por lo general es del orden de los milisegundos. Este tiempo tan pequeño significa, que cualquier modificación de estado en una entrada, modifica casi instantáneamente el estado de una señal de salida. (7)

(5)

(6)
TIPOS DE SALIDAS.
CÁLCULO DE CARGA MÁXIMA POR TIPO DE SALIDA.
CONEXIONADO TENSIÓN Y CORRIENTE PERMITIDO.
ESQUEMA DE CONEXIÓN DE MODULO PROGRAMABLE
DIMENSIONAMIENTO.
POR PROCESADOR.
POR NÚMERO DE ENTRADAS Y SALIDAS.
POR TIPO DE SEÑAL EN ENTRADAS Y SALIDAS.
ESPECIFICACIONES MÓDULOS DE EXPANSIÓN.
DISPOSITIVOS DE PROTECCIÓN PARA ENTRADAS Y SALIDAS.
(3) http://marisolmtzmercado.blogspot.pe
(4) Presostatos
(5) Simatic S7 200
(6) Productos para Totally Integrated Automation y Micro Automation
Productos para Totally Integrated Automation y Micro Automation 2017